欢迎访问:开云电子买球中国有限公司,官方网站!
西恒工程咨询

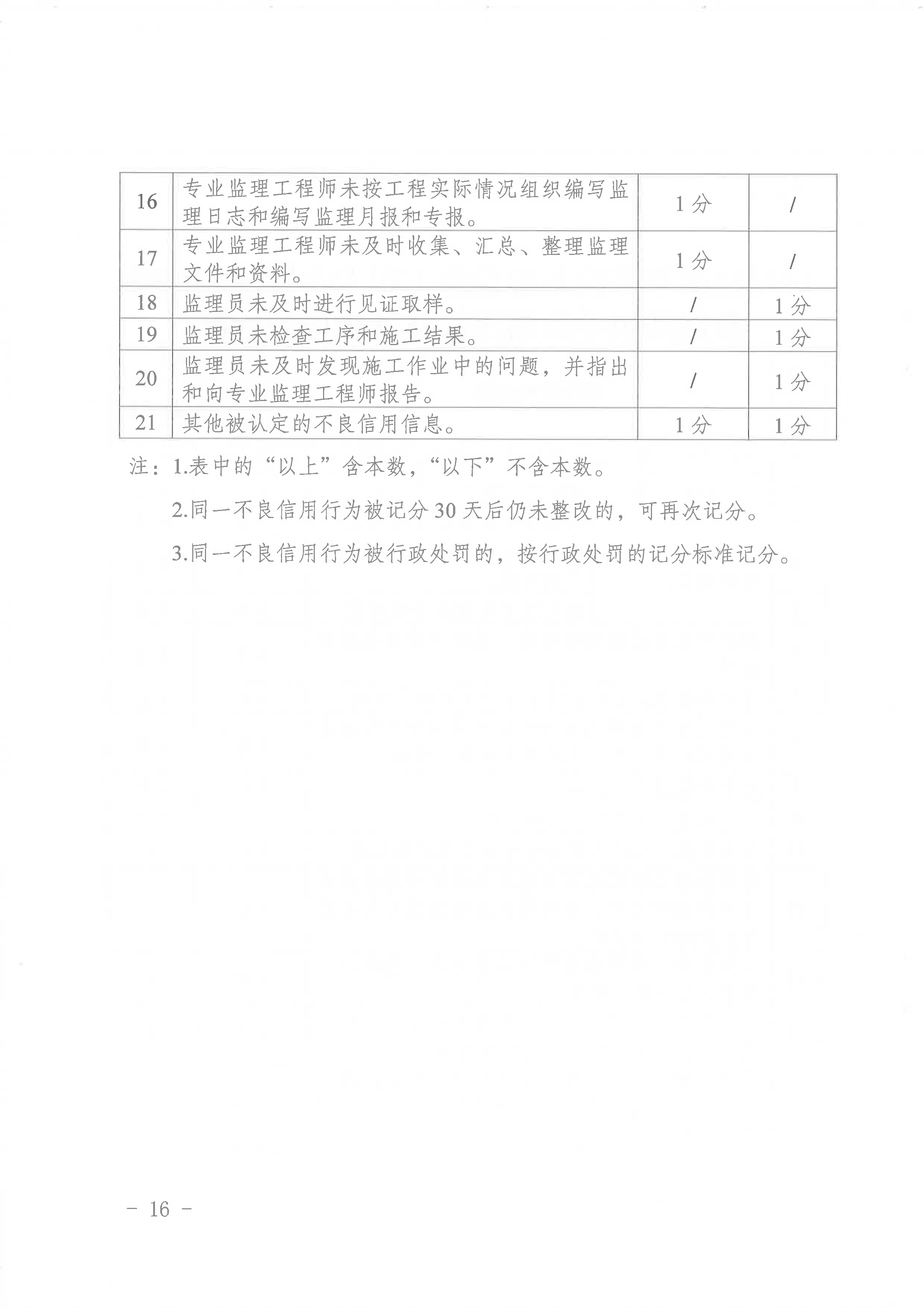
关于印发《重庆市房屋建筑和市政基础设施工程监理信用管理办法(试行)》的通知

发表时间: 2022-03-01 14:00:53

作者: 开云电子买球中国有限公司

浏览:
























走进西恒    |   招标信息   |   服务范围   |   经典案例   |   下载中心   |   联系我们


地址:重庆市两江新区黄山大道中段70号两江星界2栋9楼     办公室电话:023-63065038   邮箱:cqxiheng@163.com     传真:023-67767197 

版权所有  @  2021  开云电子买球中国有限公司 渝ICP备18016068号

添加微信好友,详细了解产品
使用企业微信
“扫一扫”加入群聊
复制成功
添加微信好友,详细了解产品
我知道了